Monolithic Power Systems, Inc.
Refine by
Families
1 products found
Monolithic Power Systems, Inc. products
Power Management - Switching Converters & Controllers - Step-down(Buck) - Controllers
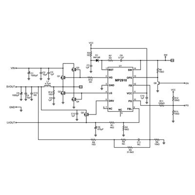
Model MP2910 - Sync Buck PWM DC-DC and Linear Power Controller
The MP2910 is a dual output with one synchronous buck PWM and one linear controller. The part is used to generate logic-supply voltages for PC based systems. MP2910 includes internal soft-start, frequency-compensation networks, power good signaling with specific sequence, and it comes all of the logic control, output adjustment, power monitoring and protection functions into a small footprint package. The part is operated at fixed 300 kHz frequency providing an optimum compromise between efficiency, external component size, and cost. The linear controller is implemented to drive an external MOSFET for regulation and it`s adjustable by setting external resistors. Moreover the specific internal PG sequence and indicator is also implemented to conform to Intel?new platform requirement on FSB_VTT power plane. An adjustable over-current protection (OCP) is proposed to monitor the voltage drop across the RDS(ON) of the lower MOSFET for synchronous buck PWM DC-DC controller.
