PDC - High Pressure Process Gas Compressors
PDC Machines has been manufacturing industrial high pressure gas compressors since 1977. With decades of experience in diaphragm compressor technology, we have partnered with companies and government agencies worldwide to provide them with the optimum solution to satisfy their gas compression needs. We have developed an extensive line of basic diaphragm compressors and fully automated turnkey diaphragm process gas compressor systems with installations located around the globe.
We have been privileged to work with many gas producers, chemical and petrochemical companies around the world. Our clients include 3M, Air Liquide, Airgas, Air Products and Chemicals, British Oxygen Co/Linde, Bristol Myers Squibb, China Petroleum Corp. ChevronTexaco, Conoco Phillips, E. I. Dupont, Engineers India Ltd., Emirates Industrial Gases Co., ExxonMobil, Fiba Technologies, Foster Wheeler, General Electric Co; Harris Industrial Gases, Heurtey Petrochem, Hyundai Engineering and Construction Co., Imperial Oil, Korea Specialty Gases, Kyodo Oxygen, Lockheed Martin, Mead Johnson, Nippon Sanso, Petrobras, Petronas, Phillips Petroleum, Polish Oil & Gas Company, Praxair, Saudi Arabian Basic Industries Company, Saudi Electricity Company, Shell Chemical Company, Stone and Webster, Tecnicas Reunidas, Tecnimont Group, Teledyne Energy Systems, TRW Systems, Unilever, Weldoca and many, many more.
High compression ratio
Process gas compressors of this type are used in applications ranging from vacuum to pressures up to 60,000 psig (4,100 bar). Because of the large surface areas and masses and the use of water-cooled heads, our metallic diaphragm compressors achieve higher compression ratios than conventional units. In specific cases, compression ratios as high as one hundred to one are possible.
Environmentally safe
Because PDC Machines’ diaphragm compressors utilize static seals, our crankcases do not need to be purged or vented. Due to this there is no leakage to the atmosphere.
High suction pressure
Our design permits startup under high inlet pressure without unloading the system as required by other gas compressor systems. Complicated and expensive transition assemblies used by conventional diaphragm compressors are eliminated. Resulting in lower purchase, operating and maintenance cost.
High product purity
These compressors are used for contamination-free compression of gases. The process media does not contact the piston, piston rings, etc. that are typically used to generate displacement in conventional compressors. PDC Machines accomplishes this by isolating the process media from the piston and related components with a set of metallic diaphragms. The piston moves a column of hydraulic fluid which in turn moves the diaphragm set and displaces the gas. The process side of these units is constructed of compatible corrosion-resistant material (stainless steel, Inconel®, Hastelloy®, Monel®, etc.) to prevent contamination.
PDC Machines’ metallic diaphragm compressors are ideal for compressing all gases without leakage or contamination of the gas. The advantages of ultra high purity, leak free gas handling are what differentiate our diaphragm compressor from reciprocating and screw type compressors. Reciprocating and screw type machines are subject to leakage around piston rings which results in contamination of the process gas by hydraulic oil.
PDC Machines’ diaphragm compressors isolate the process media from the piston and related components with a set of metal diaphragms. These diaphragms are carefully positioned inside precisely contoured cavities which are machined into the upper and lower plates of the compressor heads.
Diaphragm compressors can work with suction pressures starting at atmospheric and deliver discharge pressures as high as 60,000 psig. Because of the large surface areas of the heads and diaphragms, the continuous presence of hydraulic oil and the cooling of the process side heads, PDC Machines’ high pressure compressors will run considerably cooler than a conventional piston type reciprocating machine.
A PDC Machines high pressure gas compressor in operation is more isentropic than adiabatic. The exponent runs between isothermal and adiabatic. As a result, higher compression ratios can be achieved. In some cases compression ratios as high as one hundred to one are possible. This would be difficult or impossible to achieve with conventional diaphragm compressor unit.

The operation of a diaphragm compressor is very simple, employing basically only the gas and hydraulic systems. The gas system as depicted in Fig.1 consists of the three piece diaphragm set and the inlet and outlet process check valves.
The hydraulic system Fig.2 employs a crank driven piston that moves a column of hydraulic fluid through the suction and discharge cycles. Compression occurs as the hydraulic fluid is pushed upward to fill the lower plate cavity, exerting a uniform force against the bottom of the diaphragm set. This deflects the diaphragm set into the upper cavity that is filled with the process gas. The deflection of the diaphragm set against the upper gas plate cavity first compresses the gas and then expels it through the discharge check valve. As the piston reverses to begin the suction cycle, the diaphragm set is drawn downward to hug the lower cavity while the inlet check valve opens and fills the upper cavity with a fresh charge of gas. The piston passes through bottom dead center and begins its upward stroke, and the compression cycle is repeated.

Oil relief valve
The oil relief valve limits maximum oil (and thus gas) pressure and assures that the diaphragms completely “sweep” the upper and lower cavity contours to maximize displacement.
Priming pump
We provide an automatic, positive displacement gear pump. Priming is crankshaft driven and automatic upon start up. This eliminates priming problems that are typically associated with gravity fed pumps.
Injection pump
PDC Machines provides a plunger type injection system on all motor driven diaphragm units. The injectors are also crank driven and precisely meter hydraulic fluid flow during the operation of the compressor.
Cavity design
The deflection of, and stresses on the metal diaphragms are controlled by carefully designed cavity contours. We use state of the art design and analysis tools, and cutting edge programs to model these. Optimum displacements are calculated while assuring maximum service life for the diaphragms. Finite element analysis is used to calculate the performance of the compressor heads that house these cavities. The effects of head deflection on diaphragm stress are examined to determine the effect on fatigue life.
Process head
At PDC Machines, we machine process heads from a wide variety of materials including 300 series stainless steel and Monel® to best suit the process gas you require.
Triple diaphragm construction
Is the heart of the machine and refers to the stack of three metal diaphragms. The upper diaphragm (process side) is made of a material compatible with the gas media. The lower diaphragm (oil side) is made of the same material as the upper, and the middle diaphragm is made of brass. Without the brass surface of the middle diaphragm, the similar materials of the upper and lower diaphragms would gall and stick together..
Process contacting seals
We offer an extensive variety of static elastomeric O ring seals including Buna, Viton, and Teflon, to suit the process gas you specify
.
Leak detection system
Included with every PDC Machines diaphragm process gas compressor is a leak detection system. This system detects diaphragm or seal failure. Diaphragm failures are normally caused by particles or contamination in the gas or oil systems of the compressor, moisture condensation inside the cavity, or improper tightening of the compressor head bolts. Our leak detection system utilizes a closed chamber isolated from both the gas and hydraulic sides into which any leaked media (gas or oil) will collect. Any such accumulation immediately shuts down the compressor before any contamination can occur.
Process inlet and outlet check valves
Depending on the application, PDC Machines uses either cartridge or flat disc valves. We select the size and type of valves that will best suit the specific operating conditions and process gas because incompatible materials or improperly sized valves can seriously degrade compressor performance. Inlet and check valves are designed for easy removal and maintenance, which eliminates the need to dismantle the head assembly.
Purity of inlet gas
Diaphragm compressors cannot properly operate with free liquids in the gas stream. It is therefore critically important that the source gas is clean and dry and does not contain any water or oil mist, droplets, water vapor or gases that could condense during compression. To help maintain gas purity, we install gas filters prior to each compression stage.
Diaphragm compressor configurations
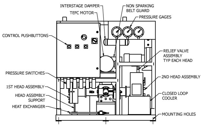
PDC Machines’ industrial compressors are available in single stage, two stage and duplex configuration. Single stage units utilize a single head that can be mounted in a vertical or horizontal position. When mounted horizontally, the user has the option of adding a second, opposing head for future expansion. A second head can be field installed and can be fitted to increase flow, discharge pressure, or both of our two stage compressors feature horizontally opposed heads. Properly designed, this configuration can reduce horsepower requirements thereby lowering energy costs.

PDC Machines’ diaphragm compressors are the preferred choice when contamination-free, leak-tight gas compression is required. Our industrial gas compressors are designed to afford high quality, high reliability, low maintenance and extended service intervals. PDC Machines’ users have reported up to 40,000 hours without any parts replacement needed except for oil changes.
State-of-the-art manufacturing
All critical components are manufactured at PDC Machines, assuring the highest levels of quality control. In house manufacturing allows us the flexibility to accommodate tight delivery schedules.
Enhanced diaphragm life
All aspects of our diaphragm compressor design are intended to enhance component life, improve operation and reduce and simplify maintenance. Diaphragm cavity contours, which control stress in the diaphragms, are precisely machined to provide uniform stress distribution. These cavity contours are computer engineered utilizing Finite Element Analysis. Diaphragm surfaces are specially treated to extend fatigue life.
Automatic unloading system
The compressor is automatically re-primed at start-up. Incorrect priming will cause cavitation inside the compressor and could lead to damage of the heads, head bolts, diaphragms, O-rings, or the process and hydraulic systems. Automatic unloading eliminates the need for a technicians presence to re-prime the compressor.
Hydraulic oil system
The hydraulic system is designed to assure uniform diaphragm deflection, prevent knocks, vibration, cavitation and yield smooth, quiet compressor operation. Unique oil distribution techniques are employed to eliminate pressure differentials and gradients. The system utilizes an automatic priming pump, positive displacement high-pressure injection pump and oil relief valve with bypass valve for smooth, easy starting.

High product purity
The triple diaphragm set ensures that the process gas is isolated from the hydraulic oil.
Environmentally safe
PDC Machines uses static seals and there is no migration of gas to the crankcase. The crankcase does not require purging or venting, so there is no leakage of gas to the atmosphere.
Corrosion resistant wetted materials
All process contacting parts are made from stainless steel and high strength polymers. This helps to prevent premature failure of the diaphragms and reduces the cost of spares needed, reduces maintenance frequency and reduces down-time.
Safety interlocks
Features include shutdowns for low suction, high discharge, low oil, low water coolant and diaphragm or O-ring failure. Audible and visual enunciators can be supplied for an added level of protection. The compressor will be completely instrumented for automatic operation.
Lower energy costs
Duplex and two-stage diaphragm compressors are horizontally opposed designs which reduce horsepower requirements and energy costs.
International standards compliance
PDC Machines’ diaphragm compressors can be designed and certified to comply with European, American, Canadian, Japanese and other international directives including the National Electrical Code (NEC), Canadian Standards Association (CSA), High Pressure Gas Safety Institute of Japan (KHK), and the European Union’s Pressure Equipment Directive (PED) and ATEX directive for machinery.
