- Home
- Companies
- BioGasol ApS
- Products
- BioGasol - Biochemical Processing ...
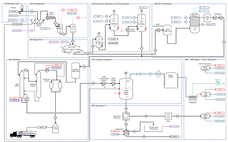
BioGasol - Biochemical Processing System
Utilising both the Carbofrac sugar extraction and the Pentocrobe® fermentation platform, BioGasol has demonstrated proof of various process concepts at two different pilot plants: the first (Maxifuel) operated from 2006 to 2008, and the second advanced pilot since 2010 (MaxiCo / MaxiSplit) is still in operation at the BioGasol facilities. Process steps carried out in the BioGasol pilot plants have included biomass conditioning, pretreatment, solid-liquid separations, enzymatic hydrolysis, (C5, C6 and co-) fermentations, distillation and even biogas production. Experimental data from these processes have provided valuable input for scaling-up and evolving the core technologies. However, BioGasols technology can be implemented in many other process concepts for various downstream applications, why BioGasol does not favour or promote one particular process (the figure on this page only provided as an example).
