- Home
- Companies
- Etaeval GmbH
- Products
- Etaeval - Transient Simulations for ...
Etaeval - Transient Simulations for Hydroelectric Power Plants and Water Supply Systems
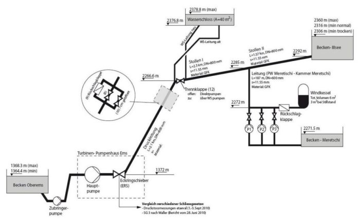
Transient operation is inherent to the operation of hydroelectric power plants and water supply systems, since machines are started, stopped or work at time varying operating conditions.
Water hammer and/or mass oscillations may occur. The associated pressure fluctuations can be simulated, worst-case scenarios can be predicted and optimizations proposed.
The development of pressure surges and the mass oscillations in the surge tank can be predicted with modern simulation environments. These simulations are particularly important in design processes. In addition, in an existing system, by means of a simulation setup, for example, closing and opening times and their consequences with regard to the development of pressure surges and mass vibrations can be varied and compared with one another. These transient processes can be optimized by simulating the entire start-up and closing processes of a hydroelectric plant or a pipeline system.
The transient calculations are carried out with the aid of the SimHydraulics simulation environment (program package in Matlab-Simulink). The simulation models are built up graphically with the help of a library of parameterizable hydraulic elements. Flow losses, fluid inertia, fluid compressibility and elasticity of the pipelines are taken into account.
Properties of the pressure surge simulation:
- Simulations of time-varying pressure, volume flow and level fluctuations
- for all closed systems (printing systems)
- Prediction of period durations, minimal overlaps (air intake), etc.
- Connect and test regulations
In our documentation, we also show our customers where the limits of transient simulations lie. The validation of the simulation results using transient measurements (pressure surge measurements) in real systems is particularly useful.

